·业界最小作空间的电动堆高车; ·低耗、高可靠的创新设计; ·长手柄、偏置操作,方便安全。
高性能,高可靠: ·高强度结构设计; ·专用驱动、液压系统,保证整车运行高可靠; ·低噪低故障液压站,经过多层检测测试的油缸及管路,保证了液压系统高可靠; ·质量可靠的美国AMP防水接插件及电器件,大大降低了电器故障;
更安全: ·液压系统防爆设计,即使油管爆裂,门架也不会快速下降,提高安全性; ·紧急反向行驶功能,使操作者避免受到伤害; ·紧急断电开关,在操作失控时可轻松切断所有电源,避免紧急事故; ·起升多重限位,堆垛更安全; ·货叉起升一定高度后,车辆运行自动切换至慢速模式,更安全; ·防滑制动功能,使车子在失控或者斜坡行驶时,防止其下滑; ·偏置操控,避免行驶过程中作业者与车身相撞。
易操作: ·充分考虑人机工程的手柄头设计,各功能按钮方便轻松操作; ·较长的操作手柄,大大降低了操纵车子所需力量,使操纵更轻便; ·紧凑设计,超小作业半径; ·偏置操控,大大提高作业视野; ·内置充电机,无需专用充电设备。
便维护: ·免维护电瓶; ·配置计时器和电量表,方便提醒操作者适时充电,保护电瓶; ·机体拆装便捷,仅拧下2颗螺钉卸下后盖,即可对主要关键零部件进行检测、维修及更换; ·控制器自我诊断系统,通过手持单元显示故障代码,解决故障更方便; ·低电压自动保护,延长电瓶寿命。
| 经济型柱式全电动堆高车与半电动堆高车的对比: |
| |
经济型柱式全电动堆高车 |
半电动堆高车 |
| 性能 |
全电动操作、性能佳、操作轻松 |
视操作者力量大小而定,极费人力、时间 |
| 操控 |
全电动起升、下降、行走,按键设计方便左右手任意操作,轻松便利 |
行走、爬坡完全依靠人力,操控费力 |
| 安全 |
安全理念设计、充分考虑操作安全性、门架安全限位开关 |
操控较为安全 |
| 效率 |
工作效率远超半电动堆高车,在同等情况下,其工作效率是普通半电动的5倍 |
工作效率较低 |
| 价格 |
价格约为同吨位半电动的2倍 |
价格便宜 |
| 经济型柱式全电动堆高车与普通全电动堆高车的对比: |
| |
经济型柱式全电动堆高车 |
普通全电动堆高车 |
| 性能 |
全电动操作、性能佳、操作轻松 |
全电动操作、性能佳、操作轻松 |
| 操控 |
全电动起升、下降、行走,按键设计方便左右手任意操作,轻松便利 |
全电动起升、下降、行走,按键设计方便左右手任意操作,轻松便利 |
| 安全 |
安全理念设计、充分考虑操作安全性、门架安全限位开关 |
安全理念设计、充分考虑操作安全性、门架安全限位开关 |
| 价格 |
价格约为同吨位电动堆高车的50% |
价格较高 |
| 场地 |
要求使用场地平整,转弯半径和通道宽度比普通电动堆高车小15%-20% |
要求使用场地平整,转弯半径和通道宽度较大 |
| 货 号 |
BT00596 |
BT00597 |
BT00525 |
| 特征 |
动力形式 |
|
电动 |
| 操作类型 |
|
步行式 |
| 额定载荷(Q) |
kg |
1000 |
1200 |
| 载荷中心距(C) |
mm |
600 |
| 前轮到货叉垂直面的距离(x) |
mm |
805 |
| 轴距(y) |
mm |
1126 |
| 重量 |
自重(带电瓶) |
kg |
462 |
| 轴载,满载驱动端/承载端 |
kg |
655/820 |
741/921 |
| 轴载,空载驱动端/承载端 |
kg |
343/119 |
343/119 |
轮胎 底盘 |
轮胎类型,驱动轮/承载轮 |
|
PU/PU |
PU/PU |
| 驱动轮尺寸(直径×宽度) |
mm |
Φ210×70 |
Ф210×70 |
| 承载轮尺寸(直径×宽度) |
mm |
Φ80×60 |
Ф85×60 |
| 平衡轮尺寸(直径×宽度) |
mm |
Φ130×55 |
Ф130×55 |
| 驱动轮,平衡轮/承载轮数量 |
mm |
1x+1/4 |
1x +1/4 |
| 前轮距,操纵端(b10) |
mm |
533 |
533 |
| 后轮距,承载端(b11) |
mm |
380 |
380 |
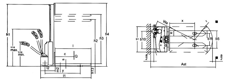
| 尺寸 |
门架下降后的最低高度(h1) |
mm |
1940 |
1940 |
| 起升高度(h3) |
mm |
1600 |
1955 |
1520 |
| 门架起升后整车高度(h4) |
mm |
1955 |
2305 |
1955 |
| 操作位置手柄杆最小/最大高度(h14) |
mm |
1200/860 |
860/1200 |
| 货叉下降后货叉面高度(h13) |
mm |
88 |
88 |
| 整车长度(l1) |
mm |
1580 |
1615 |
| 到货叉垂直面的长度(l2) |
mm |
465 |
465 |
| 整车宽度(b1) |
mm |
800 |
800 |
| 货叉尺寸(s/e/l) |
mm |
60/170/1150 |
60/170/1150 |
| 挡货架外宽(b3) |
mm |
680 |
680 |
| 货叉外宽(b5) |
mm |
550 |
550 |
| 轴距真心处离地间隙(m2) |
mm |
30 |
30 |
| 通道宽度转角处,托盘尺寸1200宽×1000长的通道宽度(Ast) |
mm |
2100 |
2137 |
| 通道宽度直行处,托盘尺寸800宽×1200长的通道宽度(Ast) |
mm |
2030 |
2062 |
| 转弯半径(Wa) |
mm |
1295 |
1295 |
| 性能 |
行走速度,满载/空载 |
km/h |
3.5/4 |
| 起升速度,满载/空载 |
m/s |
0.12/0.22 |
| 下降速度,满载/空载 |
m/s |
0.12/.011 |
| 最大爬坡度,满载/空载 |
% |
3/10 |
| 制动系统 |
|
电磁制动 |
| 驱动 |
驱动电机功率 |
kw |
0.65 |
| 起升电机功率 |
kw |
2.2 |
| 电瓶尺寸(长/宽/高) |
|
270×180×230 |
| 电瓶电压/额定容量(5h) |
V/Ah |
2×12/85 |
| 电瓶重量 |
kg |
2×25 |
| 驱动控制类型 |
|
DC |
| 其它 |
转向类型 |
|
机械转向 |
| 噪音等级 |
dB(A) |
74 |
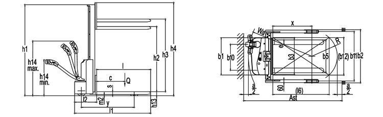
宽支腿柱式全电动堆高车
| 货 号 |
BT00526 |
| 特征 |
动力形式 |
|
电动 |
| 操作类型 |
|
步行式 |
| 载荷(Q) |
kg |
1200 |
| 载荷中心距(c) |
mm |
600 |
| 承载长度(x) |
mm |
850 |
| 轴距(y) |
mm |
1210 |
| 重量 |
自重(含电瓶) |
kg |
543 |
| 轴载,满载驱动端/承载端 |
kg |
783/960 |
| 轴载,空载驱动端/承载端 |
kg |
420/123 |
轮胎 底盘 |
轮胎类型,驱动轮/承载轮 |
|
PU/PU |
| 驱动轮尺寸(直径×宽度) |
mm |
Ф210×70 |
| 承载轮尺寸(直径×宽度) |
mm |
Ф100×50 |
| 平衡轮尺寸(直径×宽度) |
mm |
Ф100×50 |
| 驱动轮,平衡轮/承载轮数量(x=驱动轮) |
mm |
1x +1/4 |
| 前轮距,驱动端(b10) |
mm |
533 |
| 后轮距,承载端(b11) |
mm |
1060/1160/1260/1360 |
| 尺寸 |
门架下降后的最低高度(h1) |
mm |
1940 |
| 门架最大起升高度(h3) |
mm |
1520 |
| 起升最高时的门架高度点(h4) |
mm |
2053 |
| 操作位置手柄杆最小/最大高度(h14) |
mm |
860/1200 |
| 货叉下降后货叉面高度(h13) |
mm |
60 |
| 整车长度(l1) |
mm |
1570 |
| 到货叉垂直面的长度(l2) |
mm |
500 |
| 整体宽度(b1) |
mm |
1135/1235/1335/1345 |
| 货叉尺寸(s/e/l) |
mm |
35/100/1070 |
| 挡货架外宽(b3) |
mm |
780 |
| 货叉外宽(b5) |
mm |
200~765 |
| 轮臂之间的距离(b4) |
mm |
100 |
| 轴距真心处离地间隙(m2) |
mm |
40 |
| 托盘为 1200宽×1000长的通道宽度(Ast) |
mm |
2175 |
| 托盘为 800宽×1200长的通道宽度(Ast) |
mm |
2100 |
| 转弯半径(Wa) |
mm |
1329 |
| 性能 |
行走速度,满载/空载 |
km/h |
3.5/4 |
| 起升速度,满载/空载 |
m/s |
0.12/0.22 |
| 下降速度,满载/空载 |
m/s |
0.12/.011 |
| 最大爬坡度,满载/空载 |
% |
3/10 |
| 制动类型 |
|
电磁制动 |
电机 动力源 |
驱动电机额定功率 S2 60分钟 |
kW |
0.65 |
| 起升电机额定功率 S3 15% |
kW |
2.2 |
| 电瓶允许最大尺寸 |
mm |
270×180×230 |
| 电瓶电压/标称容量K5 |
V/Ah |
2×12/85 |
| 电瓶重量 |
kg |
2×25 |
| 其他 |
驱动控制类型 |
|
DC |
| 转向类型 |
|
机械转向 |
| 噪音等级 |
dB(A) |
74 | |