高空作业平台
 首  页  产品中心 关于ROBT 客服中心 营销中心 技术与服务 新闻中心 联系我们
热门产品: 搬运车    高空作业平台    电动堆高车    电动叉车    电动牵引车    购物车:0
 
   高起升全电动堆高车 您的当前位置:首页 >> 产品中心 >> 高起升全电动堆高车   
 
BT08297 BT08298 BT08299 BT08300
分享到:
 
产品描述   细节设计   视频展示   项目案例

安全、高效设计
·紧急反向装置;
·内置卸荷阀保护车子不超载使用,提高车子的可靠性;
·紧急断电开关;
·龟形慢速行驶开关;
·无级变速控制;
·可折叠的加厚踏板和护栏,增强操作者的舒适度和安全性。

结构优化设计
·侧置油缸确保宽视野操作和车子结构的平稳性;
·弹簧调节结构的平衡轮耐磨损,稳定性好;
·坚固的进口门架。

易维护设计
·低电压保护系统,延长电瓶的使用寿命;
·CANbus技术简化了线路,增强整车可靠性;
·霍尔传感器减少电子元件磨损,增强使用寿命。
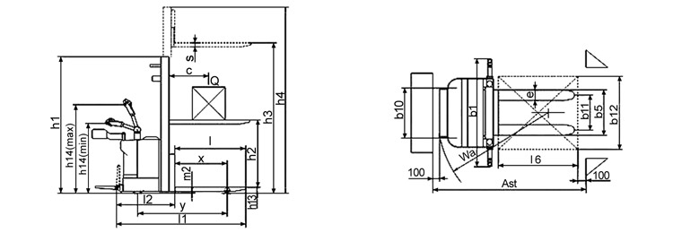
货 号 BT08297 BT08298 BT08299 BT08300
驱动方式   电动(蓄电池)
驾驶方式   站驾
额定载荷(Q) kg 2000
载荷中心距(C) mm 500
前悬距(X) mm 870
轴距(Y) mm 1357
自重(含蓄电池) kg 1600 1630 1630 1655
轴负载,前/后轴(满载) kg 1554/2046 1574/2056 1574/2056 1591/2064
轴负载,前/后轴(空载) kg 1279/321 1299/331 1299/331 1316/339
轮子   聚氨酯轮
前轮尺寸 mm Φ250×80
后轮尺寸 mm Φ80×70
附加轮尺寸 mm Φ150×60
轮,前后数量(x=驱动轮)   1x+2/4
前轮轮距(b10) mm 886
后轮轮距(b11) mm 525
门架缩回时高度(h1) mm 2087 2337 2407 2407
起升高度(h3) mm 4500 5300 5500 5800
作业时门架最大高度(h4) mm 5055 5823 6033 6333
货叉降低时高度(h13) mm 90
叉面长度(l2) mm 805
车体宽度(b1) mm 1220.8-1630
货叉尺寸(s/e/l) mm 60/170/1070(1150)
货叉外宽(b5) mm 695
轴距中心离地间隙(m2) mm 21
通道宽度,托盘1000×1200(1200跨货叉放置)(Ast) mm 2464
通道宽度,托盘800×1200(1200沿货叉放置)(Ast) mm 2401
转弯半径(Wa) mm 1629
行驶速度(满载/空载) KM/h 4.5/5.6
提升速度(满载/空载) m/s 0.09/0.11
下降速度(满载/空载) m/s 0.12/0.09
最大爬坡能力(满载/空载) % 5/10
行车制动   电磁制动
驾驶员耳边噪音等级符合DIN12053 dB(A) 70

拨打服务热线:021-57703699转1,由客服为你服务!
为了更好的服务于客户,罗倍拓的客服代表可能要求您提供相应的联系方式.谢谢配合!
 
更多产品  
电子转向踏板式电动堆高车
电子转向踏板式电动堆高车
额定载重1500kg
起升高度2930mm
载荷中心600mm
电子转向
查看详情>>
电子转向踏板式电动堆高车
电子转向踏板式电动堆高车
额定载重1600/2000kg
起升高度2950mm
载荷中心600mm
电子转向
查看详情>>
货叉覆盖式全电动堆高车
货叉覆盖式全电动堆高车
额定载重1400/1600kg
起升高度3000-5000mm
载荷中心600mm
电子转向
查看详情>>
货叉覆盖式全电动堆高车
货叉覆盖式全电动堆高车
额定载重1200kg
起升高度3000-3600mm
载荷中心600mm
电子转向
查看详情>>
平衡重电子转向堆高车
平衡重电子转向堆高车
额定载重1.2/1.5T
起升高度3.27/3.2m
载荷中心500/600mm
电子转向
查看详情>>
平衡重式电动托盘堆垛车
平衡重式电动托盘堆垛车
额定载重1500/1600kg
载荷中心距500mm
标准门架起升高度3000/3700mm
自重(包含蓄电池)1890/1930kg
查看详情>>
宽支腿全电动堆高车
宽支腿全电动堆高车
额定载重1400/1600kg
起升高度3000-5000mm
载荷中心600mm
电子转向
查看详情>>
站驾式电动堆高车
站驾式电动堆高车
额定承载能1600/2000kg
起升高度3.0/4.5/2.5m
载荷中心距600mm
货叉长度1150mm
查看详情>>
 
返回页头
 
 
热卖促销
[01] 搬运设备
[02] 堆高设备
[03] 电动叉车
[04] 内燃叉车
[05] 高空作业
[06] 升降平台
[07] 起重吊运
[08] 仓储设备
[09] 工位装备
[10] 清洁设备
[11] 环保节能
[12] 包装设备
[13] 称重设备
 
 
   
 
产品体系
高端设计
品牌策略
直销模式
品牌优势
租赁业务
持续发展
 
产品关建词
下载专区
视频展示
产品目录
公司资质
 
物料搬运知识
高空作业平台
起重设备知识
环保节能产品
工业安全知识
售后保养知识
 
服务概述
服务特点
客户价值
售后服务
展厅及OEM基地
行业应用
 
精选案例
出口案例
物流运输
服务行业
汽车行业
食品化工 更多>>