高空作业平台
 首  页  产品中心 关于ROBT 客服中心 营销中心 技术与服务 新闻中心 联系我们
热门产品: 搬运车    高空作业平台    电动堆高车    电动叉车    电动牵引车    购物车:0
 
   单立柱全电动堆高车 您的当前位置:首页 >> 产品中心 >> 单立柱全电动堆高车   
 
BT08406 BT08407 BT08408 BT08409
分享到:
 
产品描述   细节设计   视频展示   项目案例
 本车型主要适用平坦的地面上作业,特别适用在楼层、集装箱内作业;
 本车采用最先进的永磁无刷驱动电机,无碳刷、免维护、具有良好的再生制动功能和坡道抑制功能。具有卓越的驾控性; 
 驱动机构采用立式结构的驱动单元;整个驱动单元回转半径小;运转噪音低;轮子更换维护方便;
 内部结构整洁有序,便于维护、检修;
 低重心设计,车子稳定性好;
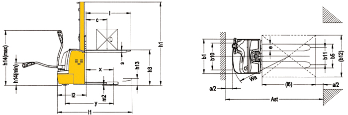
 具有较小转弯半径(Wa=1335mm,Ast=2180mm);
 单立柱门架设计,视野宽阔;
 拥有减震装置,降低噪音;
 装有低电压保护系统,有效延长蓄电池的使用寿命;
 平衡轮可调节功能(当轮子磨损后,可调节平衡轮的高低来达到车体平衡);
 液压的模具化安装设计,具有降低噪音、维护和检修方便的优点;
 电气的模块化设计,部件的集成化程度达90,便于维护检修。
货 号 BT08406 BT08407 BT08408 BT08409
驱动方式   电动(蓄电池) 电动(蓄电池)
驾驶方式   步行 步行
额定载荷(Q) kg 1000 1200
载荷中心距(c) mm 600 500
前悬距(x) mm 630 630
轮距(y) mm 1146 1146
自重(带电瓶) kg 580 590
轴负载,满载时前/后轴 kg 785/995 800/1010
轴负载,空载时前/后轴 kg   190/390 240/410
轮子材质   聚氨酯轮 聚氨酯轮
轮子尺寸,后轮   Φ250×70 Φ250×70
轮子尺寸,前轮   Φ80×70 Φ80×70
驱动轮,平衡轮/承载轮数量   1×+1/4 1×+2/4
前轮轮距(b10) mm 520 520
后轮轮距(b11) mm 400 400
门架缩回时高度(h1) mm 1980 2330 1980 2330
起升高度(h3) mm 1600 1950 1600 1950
作业时门架最大高度(h4) mm 1980 2330 1980 2330
操作手柄在驱动位置的最小/最大位置(h14) mm 670 1300 670 1300
降低时高度(h13) mm 90 90
总体长度(l1) mm 1778 1778
叉面长度(l2) mm 708 708
车体宽度(b1) mm 820 820
货叉长度(l) mm 1070/1150 1070/1150
货叉外宽(b5) mm 570 570
轴距中心离地间隙(m2) mm 30 30
通道宽度,托盘1000×1200(1200跨货叉放置)(Ast) mm 2180 2180
通道宽度,托盘800×1200(1200沿货叉放置)(Ast) mm 2220 2220
转弯半径(Wa) mm 1338 1338
行驶速度,满载/空载 Km/h 5.3/5.6 5.3/5.6(AC)
提升速度,满载/空载 Km/h 0.10/0.19 0.10/0.19
下降速度,满载/空载 Km/h 0.12/0.11 0.12/0.11
最大爬坡能力,满载/空载 % 6/15 6/15
行车制动   电磁制动 电磁制动
驾驶员耳边噪音等级符合DIN12053 dB(A) 70 70
拨打服务热线:021-57703699转1,由客服为你服务!
为了更好的服务于客户,罗倍拓的客服代表可能要求您提供相应的联系方式.谢谢配合!
 
更多产品  
电子转向踏板式电动堆高车
电子转向踏板式电动堆高车
额定载重1500kg
起升高度2930mm
载荷中心600mm
电子转向
查看详情>>
电子转向踏板式电动堆高车
电子转向踏板式电动堆高车
额定载重1600/2000kg
起升高度2950mm
载荷中心600mm
电子转向
查看详情>>
货叉覆盖式全电动堆高车
货叉覆盖式全电动堆高车
额定载重1400/1600kg
起升高度3000-5000mm
载荷中心600mm
电子转向
查看详情>>
货叉覆盖式全电动堆高车
货叉覆盖式全电动堆高车
额定载重1200kg
起升高度3000-3600mm
载荷中心600mm
电子转向
查看详情>>
平衡重电子转向堆高车
平衡重电子转向堆高车
额定载重1.2/1.5T
起升高度3.27/3.2m
载荷中心500/600mm
电子转向
查看详情>>
平衡重式电动托盘堆垛车
平衡重式电动托盘堆垛车
额定载重1500/1600kg
载荷中心距500mm
标准门架起升高度3000/3700mm
自重(包含蓄电池)1890/1930kg
查看详情>>
宽支腿全电动堆高车
宽支腿全电动堆高车
额定载重1400/1600kg
起升高度3000-5000mm
载荷中心600mm
电子转向
查看详情>>
站驾式电动堆高车
站驾式电动堆高车
额定承载能1600/2000kg
起升高度3.0/4.5/2.5m
载荷中心距600mm
货叉长度1150mm
查看详情>>
 
返回页头
 
 
热卖促销
[01] 搬运设备
[02] 堆高设备
[03] 电动叉车
[04] 内燃叉车
[05] 高空作业
[06] 升降平台
[07] 起重吊运
[08] 仓储设备
[09] 工位装备
[10] 清洁设备
[11] 环保节能
[12] 包装设备
[13] 称重设备
 
 
   
 
产品体系
高端设计
品牌策略
直销模式
品牌优势
租赁业务
持续发展
 
产品关建词
下载专区
视频展示
产品目录
公司资质
 
物料搬运知识
高空作业平台
起重设备知识
环保节能产品
工业安全知识
售后保养知识
 
服务概述
服务特点
客户价值
售后服务
展厅及OEM基地
行业应用
 
精选案例
出口案例
物流运输
服务行业
汽车行业
食品化工 更多>>