高强度高堆垛的选择: ·超高强度结构,可实现高位堆垛; ·踏板护臂、电子转向,可长时间安全轻松作业。
高性能,高可靠: ·交流驱动系统,提供强劲动力,控制更精确,运行更平稳; ·高强度立式变速箱,超长工作寿命; ·低噪低故障液压站,经过多层检测测试的油缸及管路,保证了液压系统高可靠; ·质量可靠的美国AMP防水接插件及电器件,所有电线、电缆均有可靠的保护和固定,大大降低了电器故障; ·H型门架槽钢,高抗弯性能提高了整体门架强度; ·超强地盘结构设计,提高了整车稳定性及耐久性; ·创新的驱动浮动操作可调系统(DFA)实现了高速转弯时车身平稳、不倾斜。
更安全: ·液压系统防爆设计,即使油管爆裂,门架也不会快速下降,提高安全性; ·两种行驶速度,护臂闭合时,只能以一半速度行驶,护臂打开后可全速行驶,提高操作者的安全性; ·紧急反向行驶功能,使操作者避免受到伤害; ·紧急断电开关,在操作失控时可轻松切断所有电源,避免紧急事故; ·起升多重限位,堆垛更安全; ·货叉起升一定高度后,车辆运行自动切换至慢速模式,更安全; ·防滑制动功能,使车在失控或者斜坡行驶时,防止其下滑; ·双路监控电子转向,国际一流安全设计(电转向)。
易操作: ·充分考虑人机工程的手柄头设计,各功能按钮方便轻松操作; ·折叠式踏板,具有缓震功能,可消除操作者在行驶过程中路面给予的冲击; ·创新的驱动浮动操作可调系统(DFA SYSTEM)使转向操作轻便灵活(机械转向); ·踏板折叠后,可在较小空间内低速操纵; ·人性化的护士臂结构,使护臂的开闭操作极为容易,并且具备较强的抗撞击力,真正起到护臂作用; ·电子转向,操纵更轻便(电转向)。
便维护: ·AC电机,免于维护; ·配置计时器和电量表,方便提醒操作者适时充电,保护电瓶; ·机体拆装便捷,仅拧下4颗螺钉卸下后盖,即可对主要关键零部件进行检测、维修及更换; ·电瓶箱盖易开启,方便对蓄电池补充蒸馏水或电解液; ·直立式电机的使用,使电机、刹车等检测、维修直接方便,维修性能大大好于横置式电机; ·控制器自我诊断系统,通过手持单元显示故障代码,解决故障更方便; ·门架与车架装配式连接结构,使门架安装、更换极为方便; ·低电压自动保护,延长电瓶寿命。 
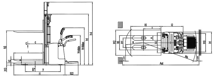
| 货 号 |
BT00521 |
BT01920 |
| 特征 |
动力单元 |
|
电瓶 |
| 操作类型 |
|
站驾式 |
| 额定载荷(Q) |
kg |
1600 |
2000 |
| 载荷中心(c) |
mm |
600 |
| 前轮距货叉垂直面距离(x) |
mm |
693 |
| 轴距(y) |
mm |
1394 |
| 重量 |
自重(含电瓶) |
kg |
1350 |
| 轴载,满载,前/后 |
kg |
980/1970 |
| 轴载,空载,前/后 |
kg |
950/400 |
| 轮胎 |
轮胎类型 |
|
聚氨酯/聚氨酯 |
| 驱动轮尺寸(直径×宽度) |
mm |
Ф230×75 |
| 承载轮尺寸(直径×宽度) |
mm |
Ф85×70 |
| 平衡轮尺寸(直径×宽度) |
|
Ф130×60 |
| 驱动轮,平衡轮/承载轮数量 |
|
1x+ 2/ 4 |
| 前轮距, 驱动轮(b10) |
mm |
634 |
| 后轮距,承载轮(b11) |
mm |
380 |
| 尺寸 |
门架下降后整车高度(h1) |
mm |
2020 |
| 自由提升高度(h2) |
mm |
100 |
| 起升高度(h3) |
mm |
2950 |
| 起升后整车高度(h4) |
mm |
3465 |
| 手柄高度,最小/最大(h14) |
mm |
1150/1480 |
| 货叉下降后高度(h13) |
mm |
88 |
| 整车长度(l1) |
mm |
2525 |
| 驱动轮到货叉垂直面的距离(l2) |
mm |
860 |
| 整车宽度(b1/b2) |
mm |
850 |
| 货叉尺寸(s/e/l) |
mm |
60/ 190/ 1150 |
| 档货架外宽(b3) |
mm |
800 |
| 货叉外宽(b5) |
mm |
600 |
| 离地间隙(m2) |
mm |
28 |
| 通道宽度,带1200宽×1000mm长的托盘(Ast) |
mm |
2971 |
| 通道宽度,带800宽×1200mm长的托盘(Ast) |
mm |
2941 |
| 转弯半径(Wa) |
mm |
2099 |
| 性能 |
行走速度,满载/空载 |
km/ h |
5.5/6.0 |
| 起升速度,满载/空载 |
m/ s |
0.13/0.16 |
| 下降速度,满载/空载 |
m/ s |
0.22/0.13 |
| 爬坡度,满载/空载 |
% |
8/ 16 |
| 制动 |
|
电磁制动 |
| 驱动 |
驱动电机功率 |
kW |
1.5 |
| 起升电机功率 |
kW |
3 |
| 电瓶电压/电容 |
V/Ah |
24/ 280 |
| 电瓶重量 |
kg |
240 |
| 电瓶允许最大尺寸 |
mm |
834×216×630 |
| 其他 |
驱动控制类型 |
|
交流 |
| 工作分贝 |
dB (A) |
74 |
| 转向 |
|
电子转向 |
|
选配 门架 |
BT01923 |
二级门架:起升高度3600mm |
| BT01924 |
二级门架:起升高度4200mm |  |