·宽腿设计,实现堆垛超稳定; ·适合各种非标托盘的搬运堆垛。
高性能,高可靠: ·交流驱动系统,提供强劲动力,控制更精确,运行更平稳; ·高强度立式变速箱,超长工作寿命; ·低噪低故障液压站,经过多层检测测试的油缸及管路,保证了液压系统高可靠; ·质量可靠的美国AMP防水接插件及电器件,所有电线、电缆均有可靠的保护和固定,大大降低了电器故障; ·H型门架槽钢,高抗弯性能提高了整体门架强度; ·宽腿式车架,保证超高堆垛稳定可靠。
更安全: ·液压系统防爆设计,即使油管爆裂,门架也不会快速下降,提高安全性; ·紧急反向行驶功能,使操作者避免受到伤害; ·紧急断电开关,在操作失控时可轻松切断所有电源,避免紧急事故; ·起升多重限位,堆垛更安全; ·货叉起升一定高度后,车辆运行自动切换至慢速模式,更安全; ·防滑制动功能,使车子在失控或者斜坡行驶时,防止其下滑; ·长操作手柄设计,避免行驶过程中作业者与车身相撞。
易操作: ·充分考虑人机工程的手柄头设计,各功能按钮方便轻松操作; ·长操作手柄设计,大大降低了转向力,操作轻便; ·货叉可调,适用于各种复杂的托盘和货物; ·慢速行驶功能,将手柄处于近垂直状态,行驶速度会自动降低,便于狭窄空间内实现精确作业; ·侧拉电瓶箱设计,轻松更换电瓶,方便连续作业。
便维护: ·AC电机,免于维护; ·配置计时器和电量表,方便提醒操作者适时充电,保护电瓶; ·机体拆装便捷,仅拧下4颗钉卸下后盖,即可对主要关键零部件进行检测、维修及更换; ·直立式电机的使用,使电机、刹车等的检测、维修直接方便,维修性能大大好于横置式电机; ·控制器自我诊断系统,通过手持单元显示故障代码,解决故障更方便; ·门架与车架装配式连接结构,使门架安装、更换极为方便; ·低电压自动保护,延长电瓶寿命。
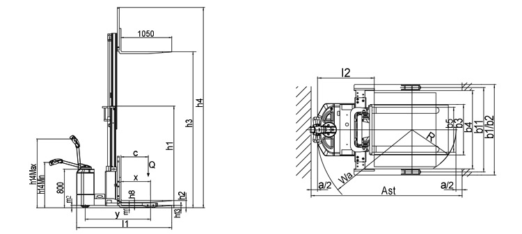
| 货 号 |
BT20006 |
BT20007 |
| 特征 |
动力形式 |
|
电动 |
电动 |
| 操作类型 |
|
步行式 |
步行式 |
| 载荷(Q) |
kg |
1400 |
1800 |
| 载荷中心距(c) |
mm |
600 |
600 |
| 承载长度(x) |
mm |
610 |
610 |
| 轴距(y) |
mm |
1350 |
1455 |
| 重量 |
自重(含电瓶) |
kg |
1320 |
1520 |
| 轴载,满载驱动端/承载端 |
kg |
815/1905 |
945/2375 |
| 轴载,空载驱动端/承载端 |
kg |
805/515 |
925/595 |
轮胎 底盘 |
轮胎类型,驱动轮/承载轮 |
|
聚氨酯/聚氨酯 |
聚氨酯/聚氨酯 |
| 驱动轮尺寸(直径×宽度) |
mm |
Φ230×75 |
Φ230×75 |
| 承载轮尺寸(直径×宽度) |
mm |
Φ102×73 |
Φ102×73 |
| 平衡轮尺寸(直径×宽度) |
mm |
Φ85×48 |
Φ102×63.5 |
| 驱动轮,平衡轮/承载轮数量(x=驱动轮) |
mm |
1x+2/4 |
1x+2/4 |
| 前轮距,驱动端(b10) |
mm |
580 |
580 |
| 后轮距,承载端(b11) |
mm |
1170/1270/1370 |
1170/1270/1370 |
| 尺寸 |
门架下降后的最低高度(h1) |
mm |
2118 |
2118 |
| 自由起升高度(h2) |
mm |
150 |
150 |
| 门架最大起升高度(h3) |
mm |
3200 |
3200 |
| 起升最高时的门架高度点(h4) |
mm |
4115 |
4115 |
| 操作位置手柄杆最小/最大高度(h14) |
mm |
990/1500 |
990/1500 |
| 承载轮护板/支撑腿高度(h8) |
mm |
100 |
100 |
| 货叉下降后货叉面高度(h13) |
mm |
60 |
65 |
| 整车长度(l1) |
mm |
1987 |
2071 |
| 到货叉垂直面的长度(l2) |
mm |
917 |
756 |
| 整体宽度(b1/b2) |
mm |
850/1270/1370/1470 |
850/1270/1370/1470 |
| 货叉尺寸(s/e/l) |
mm |
40/100/1070 |
45/100/1070 |
| 挡货架外宽(b3) |
mm |
800 |
800 |
| 货叉外宽 (b5) |
mm |
200-760 |
200-760 |
| 支撑腿内宽(m1) |
mm |
1070/1170/1270 |
970/1070/1270 |
| 轴距中心处离地间隙(m2) |
mm |
50 |
50 |
| 托盘为 1200宽×1000长的通道宽度(Ast) |
mm |
2460 |
2560 |
| 托盘为800宽×1200长的通道宽度(Ast) |
mm |
2460 |
2560 |
| 转弯半径(Wa) |
mm |
1545 |
1645 |
| 性能 |
行走速度,满载/空载 |
km/h |
5.5/6.0 |
5.5/6.0 |
| 起升速度,满载/空载 |
m/s |
0.127/0.23 |
0.127/0.23 |
| 下降速度,满载/空载 |
m/s |
0.26/0.20 |
0.26/0.20 |
| 最大爬坡度,满载/空载 |
% |
8/16 |
6/16 |
| 制动类型 |
|
电磁式 |
电磁式 |
| 电机 |
驱动电机额定功率 S2 60分钟 |
kW |
1.1 |
1.1 |
| 起升电机额定功率 S3 15% |
kW |
3 |
3 |
| 电瓶允许最大尺寸 |
mm |
800/230/open |
800/330/open |
| 电瓶电压/标称容量K5 |
V/Ah |
24/210 |
24/360 |
| 电瓶重量 |
kg |
190 |
320 |
| 其他 |
驱动控制类型 |
|
AC |
AC |
| 转向类型 |
|
机械 |
机械 |
| 噪音等级 |
dB (A) |
74 |
74 | |