高空作业平台
 首  页  产品中心 关于ROBT 客服中心 营销中心 技术与服务 新闻中心 联系我们
热门产品: 搬运车    高空作业平台    电动堆高车    电动叉车    电动牵引车    购物车:0
 
   迷你型步行式电动搬运车 您的当前位置:首页 >> 产品中心 >> 迷你型步行式电动搬运车   
 
BT00011 BT00012
分享到:
 
产品描述   细节设计   视频展示   项目案例

·手柄头设计符合人机工程学,操作舒适方便,控制按钮位置设计科学,方便左右手操作
· 计时器和电量表能随时显示电量使用情况 , 方便通知操作者适时充电
· 部套件布局紧凑合理,方便检测和维修
· 货叉最低高度仅75mm,大大提升了进出托盘的能力
· 车体外形设计紧凑,提高了在狭窄空间内使用的灵活性
· 龟速控制功能选配,方便操作者在狭窄空间内精确作业
· 电瓶托盘的使用,能有效保护电瓶免受震动和碰撞
· 平衡轮提高了搬运车的稳定性和安全性
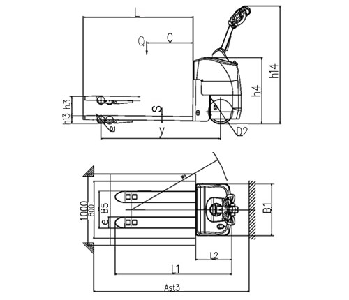
货 号 BT00011 BT00012
特征 操作类型   步行式
载荷(Q) kg 1300
载荷中心距(c) mm 600
载重距离(起升后/下降后) mm 880/955 900/975
轴距(下降后)(y) mm 1222/1242
尺寸 起升高度(h3) mm 120
操作手柄的工作高度(最大(h14)/最小(h4)) mm 1230,1190/890
货叉下降后高度(h13) mm 85(75)
整车长度(l1) mm 1635 1685
到货叉垂直面长度(l2) mm 500
整车宽度(B1) mm 724 724
货叉尺寸(s×e×L) mm 44×160×1150 44×160×1200
货叉外宽(B5) mm 540/685
转弯处工作通道(使用1.0×1.2m托盘)(Ast) mm 1695
转弯处工作通道(使用0.8×1.2m托盘)(Ast) mm 1895
转弯半径(Wa) mm 1449 1470
驱动轮尺寸(Φ×宽)(D2) mm Φ252×63
承载轮尺寸(Φ×宽) mm Φ73×98,Φ80×58
辅助轮尺寸(Φ×宽) mm Φ99.5×40
性能 行走速度(满载/空载) km/h 4.6/5.9
起升速度(满载/空载) m/s 0.056/0.06
下降速度(满载/空载) m/s 0.057/0.059
爬坡度(满载/空载) % 5/7
制动   电磁式
驱动 驱动电机功率 kw 0.63
起升电机功率 kw 0.8
电瓶电压/容量 V/Ah 24/70
电瓶类型   免维护电瓶
驱动控制类型   直流DC
重量 自重(含电瓶) kg 280

拨打服务热线:021-57703699转1,由客服为你服务!
为了更好的服务于客户,罗倍拓的客服代表可能要求您提供相应的联系方式.谢谢配合!
 
更多产品  
1.5T 经济型全电动搬运车
1.5T 经济型全电动搬运车
额定载重1500kg
载荷中心距600mm
起升高度115mm
转弯半径1485mm
查看详情>>
经济型全电动托盘搬运车
经济型全电动托盘搬运车
额定载重1500kg
载荷中心距600mm
起升高度115mm
自重(带电瓶)200-195kg
查看详情>>
迷你全电动搬运车
迷你全电动搬运车
额定负载 1500kg
载荷中心 600mm
货叉起升高度 195mm
标准货叉外宽 560/685mm
查看详情>>
电子转向站驾式电动搬运车
电子转向站驾式电动搬运车
额定负载 2000-3000kg
载荷中心 600mm
货叉起升高度 120mm
货叉外宽 570/680mm
查看详情>>
经济型配送专用电动搬运车
经济型配送专用电动搬运车
额定载重1600kg
载荷中心距600mm
起升高度115mm
转弯半径1465mm
查看详情>>
踏板式全电动搬运车
踏板式全电动搬运车
载荷2000/2500/3000kg
起升高度125mm
转弯半径1700mm
自重(含电瓶)670/690kg
查看详情>>
2.0T电子转向踏板式电动搬运车
2.0T电子转向踏板式电动搬运车
额定载重2000kg
起升高度125mm
载荷中心600mm
转弯半径2075mm
查看详情>>
侧驾式电子转向电动搬运车
侧驾式电子转向电动搬运车
额定载重2000kg
起升高度125mm
载荷中心600mm
转弯半径2075mm
查看详情>>
 
返回页头
 
 
热卖促销
[01] 搬运设备
[02] 堆高设备
[03] 电动叉车
[04] 内燃叉车
[05] 高空作业
[06] 升降平台
[07] 起重吊运
[08] 仓储设备
[09] 工位装备
[10] 清洁设备
[11] 环保节能
[12] 包装设备
[13] 称重设备
 
 
   
 
产品体系
高端设计
品牌策略
直销模式
品牌优势
租赁业务
持续发展
 
产品关建词
下载专区
视频展示
产品目录
公司资质
 
物料搬运知识
高空作业平台
起重设备知识
环保节能产品
工业安全知识
售后保养知识
 
服务概述
服务特点
客户价值
售后服务
展厅及OEM基地
行业应用
 
精选案例
出口案例
物流运输
服务行业
汽车行业
食品化工 更多>>