·专注紧凑设计,适合狭窄空间中长距离搬运; ·电子转向,站驾操作,降低作业强度。
高性能,高可靠: ·交流驱动系统,提供强劲动力,控制更精确,运行更平稳; ·高强度立式变速箱,超长工作寿命; ·低噪低故障液压站,经过多层检测测试的油缸及管路,保证了液压系统高可靠; ·质量可靠的美国AMP防水接插件及电器件,所有电线、电缆均有可靠的保护和固定,大大降低了电器故障; ·一次成型货叉、箱式车架、可调长连杆,从强度刚度上保证了整车结构在长时间工作下不变形。
更安全: ·紧急反向行驶功能,使操作者避免受到伤害; ·紧急断电开关,在操作失控时可轻松切断所有电源,避免紧急事故; ·防滑制动功能,使车子在失控或者斜坡行驶时,防止其下滑; ·双路监控电子转向,更好安全设计(电转向)。
易操作: ·充分考虑人机工程的手柄头设计,各功能按钮方便轻松操作; ·折叠式踏板,具有缓震功能,可消除操作者在行驶过程中路面给予的冲击; ·紧凑设计,行驶灵活自如; ·踏板折叠后,可在较小空间内低速操纵; ·电子转向,操纵更轻便(电转向)。
便维护: ·AC电机,免于维护; ·配置计时器和电量表,方便提醒操作者适时充电,保护电瓶; ·机体拆装便捷,仅拧下2颗螺钉卸下后盖,即可对主要关键零部件进行检测、维修及更换; ·电瓶箱盖易开启,方便对蓄电池补充蒸馏水或电解液; ·直立式电机的使用,使电机、刹车等的检测、维修直接方便,维修性能大大好于横置式电机; ·控制器自我诊断系统,通过手持单元显示故障代码,解决故障更方便; ·低电压自动保护,延长电瓶寿命。
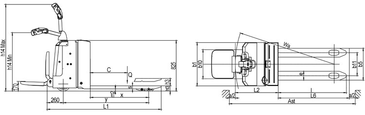
| 货 号 |
BT07319 |
BT07320 |
BT07321 |
| 特征 |
动力单元 |
|
电动 |
| 操作类型 |
|
站驾式 |
| 载荷(Q) |
kg |
2000 |
| 载荷中心距(c) |
mm |
600 |
| 承载长度(x) |
mm |
958 |
| 轴距(y) |
mm |
1465 |
| 重量 |
自重(含电瓶) |
kg |
750 |
| 轴载,满载驱动端/承载端 |
kg |
1126/1624 |
| 轴载,空载满载驱动端/承载端 |
kg |
590/160 |
轮胎 底盘 |
轮胎类型,驱动轮/承载轮 |
|
聚氨酯/聚氨酯 |
| 驱动轮尺寸(直径×宽度) |
mm |
Ф230×75 |
| 承载轮尺寸(直径×宽度) |
mm |
Ф85×70 |
| 平衡轮尺寸(直径×宽度) |
mm |
Ф130×60 |
| 驱动轮,平衡轮/承载轮数量(X=驱动轮) |
mm |
1X+2/4 |
| 前轮距,驱动端(b10) |
mm |
510 |
| 后轮距,承载端(b11) |
mm |
370 |
430 |
515 |
| 尺寸 |
标配最大起升高度(h3) |
mm |
125 |
| 操作位置手柄杆最小/最大高度(h14) |
mm |
1200 |
| 货叉下降后叉面高度(h13) |
mm |
85 |
| 整车长度(l1) |
mm |
2255 |
| 到货叉垂直面的长度(l2) |
mm |
1105 |
| 整车宽度(b1) |
mm |
730 |
| 货叉尺寸(s/e/l) |
mm |
50/170/1150 |
| 货叉外宽(b5) |
mm |
540 |
600 |
685 |
| 轴距中心处离地间隙(m2) |
mm |
30 |
| 通道宽度,1000mm长×1200宽mm托盘(Ast) |
mm |
2317 |
| 通道宽度,1200mm×800mm宽托盘(Ast) |
mm |
2517 |
| 转弯半径(Wa) |
mm |
2075 |
| 性能 |
行走速度,满载/空载 |
km/h |
5.5/6.0 |
| 起升速度,满载/空载 |
m/s |
0.051/0.06 |
| 下降速度,满载/空载 |
m/s |
0.032/0.039 |
| 爬坡度,满载/空载 |
|
8/16 |
| 制动 |
|
电磁式 |
| 驱动 |
驱动电机额定功率S2 60min |
kW |
1.5 |
| 起升电机额定功率S3 15% |
kW |
0.84 |
| 电瓶电压/标称容量K5 |
V/ Ah |
24/210 |
| 电瓶重量 |
kg |
190 |
| 电瓶尺寸,长/宽/高 |
mm |
652/270/680 |
| 其他 |
驱动控制类型 |
|
AC |
| 转向类型 |
|
电子 |
| 工作分贝 |
dB (A) |
74 | |