高空作业平台
 首  页  产品中心 关于ROBT 客服中心 营销中心 技术与服务 新闻中心 联系我们
热门产品: 搬运车    高空作业平台    电动堆高车    电动叉车    电动牵引车    购物车:0
 
   电子助力站架式电动牵引车 您的当前位置:首页 >> 产品中心 >> 电子助力站架式电动牵引车   
 
BT00321 BT00322
分享到:
 
产品描述   细节设计   视频展示   项目案例

·精致简洁的外形设计,节省工作车辆存放空间。
AC电控及电机
·免维护AC驱动电机,大扭矩,爬坡能力强,大牵引力,动力强劲,确保车子在不平整的路面和斜坡上依然能平稳行驶,电瓶使用寿命更长。
·先进的AC控制器,具备再生制动功能,延长电池有效使用时间。

刹车系统
·电机在刹车减速过程中,起到制动作用。
·电磁制动实现了较为有保障的驻车制动,能保证车辆在斜坡上同样能安全停车。

维护与保养
·防尘防水AMP接插件和耐热耐蚀耐磨的导线应用,延长了电气系统使用寿命;
·仅拧去2颗螺丝,即可完全打开机体,维护保养轻松便捷。
 
货 号 BT00321 BT00322
特征 动力单元   蓄电池电源
操作类型   站驾式 站驾式
额定牵引重量(Q) kg 3000 4500
额定牵引力(F) N 600 900
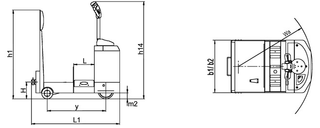
轴距(y) mm 850 950
重量 带电瓶重量 kg 700 800
轮胎
底盘
车轮类型   聚氨酯 聚氨酯
前车轮尺寸 mm Φ230×75 Φ260×95
后车轮尺寸 mm 2×Φ178×73 2×Φ178×73
车轮数量(x=驱动轮),前/后   1x+2/2 1x+2/2
后轮距 mm 777 777
尺寸 整车高度(h1) mm 1444 1560
手柄高度(h14) mm 1456 1460
牵引挂钩高度(H) mm 188/233/277/322 188/233/277/322
整车长度(l1) mm 1284 1430
整车宽度(b1/b2) mm 850 850
离地间隙(m2) mm 90 90
转弯半径(Wa) mm 1047 1196
性能 行走速度(满载/空载) km/h 5/7 7/12.5
牵引力(满载/空载) N 600 900
最大牵引力(满载/空载) N 1800 2600
最大爬坡度(满载/空载) % 3/15 3/15
刹车类型   电磁 电磁
驱动 驱动电机每小时输出功率 kw 1.5 4
电瓶,电压/电容 V/Ah 24/210 24/280
电瓶自重 kg 200 250
其它 驱动控制   交流 交流
厂商   萨牌(ZAPI) 萨牌(ZAPI)
工作分贝 dB(A) 70 70
牵引栓   插销式 插销式

产品主要配置清单:
序号 配置名称 品牌 产地
1 行走电机 中国
2 驱动轮 Stellana 美国
3 行走电控 ZAPI 意大利
4 转向电控(选配) ZAPI 意大利
5 电量表 CURTIS 美国
6 接插件 AMP 美国
7 加速器 CURTIS 美国
8 电池选配 210/280迅启 中国

拨打服务热线:021-57703699转1,由客服为你服务!
为了更好的服务于客户,罗倍拓的客服代表可能要求您提供相应的联系方式.谢谢配合!
 
更多产品  
三支点坐驾式电动牵引车6T
三支点坐驾式电动牵引车6T
最大牵引重量6T
整车高度1300mm
最大行走速度17km/h
带电瓶重量1150kg
查看详情>>
3.0T 步行式电动牵引车
3.0T 步行式电动牵引车
载荷 3000kg
额定牵引力 600N
最大行走速度5.5km/h
带电瓶重量580kg
查看详情>>
电子助力站架式电动牵引车
电子助力站架式电动牵引车
额定载荷3.0/4.5T
额定牵引力600/900N
整车高度1444/1560mm
带电瓶重量700/800kg
查看详情>>
电子转向全电动牵引车
电子转向全电动牵引车
牵引重量2000/3000kg
整车宽度810mm
最大行走速度5km/h
带电瓶重量828/1031kg
查看详情>>
电动牵引车 3T
电动牵引车 3T
牵引重量3000kg
整车高度1270mm
最大行走速度7.5km/h
带电瓶重量660kg
查看详情>>
电子助力全电动牵引车
电子助力全电动牵引车
牵引重量3000kg
整车高度1402mm
最大行走速度6km/h
带电瓶重量810kg
查看详情>>
四轮蓄电池牵引车
四轮蓄电池牵引车
牵引承载力 2.0-6.0T
额定牵引力 930-1800N
最大行走速度 15km/h
自重 750-1250kg
查看详情>>
三轮蓄电池牵引车
三轮蓄电池牵引车
牵引承载力 2.0-6.0T
额定牵引力 930-1800N
最大行走速度 15km/h
自重 1050-1250kg
查看详情>>
 
返回页头
 
 
热卖促销
[01] 搬运设备
[02] 堆高设备
[03] 电动叉车
[04] 内燃叉车
[05] 高空作业
[06] 升降平台
[07] 起重吊运
[08] 仓储设备
[09] 工位装备
[10] 清洁设备
[11] 环保节能
[12] 包装设备
[13] 称重设备
 
 
   
 
产品体系
高端设计
品牌策略
直销模式
品牌优势
租赁业务
持续发展
 
产品关建词
下载专区
视频展示
产品目录
公司资质
 
物料搬运知识
高空作业平台
起重设备知识
环保节能产品
工业安全知识
售后保养知识
 
服务概述
服务特点
客户价值
售后服务
展厅及OEM基地
行业应用
 
精选案例
出口案例
物流运输
服务行业
汽车行业
食品化工 更多>>