高空作业平台
 首  页  产品中心 关于ROBT 客服中心 营销中心 技术与服务 新闻中心 联系我们
热门产品: 搬运车    高空作业平台    电动堆高车    电动叉车    电动牵引车    购物车:0
 
   1.5T半电动搬运车 您的当前位置:首页 >> 产品中心 >> 1.5T半电动搬运车   
 
BT07317 BT07318
分享到:
 
产品描述   细节设计   视频展示   项目案例

·技术创新,降低电动搬运门槛

自重小、载重大,适合狭小空间:
·体积小,适用广;整车重量仅有140kg,轻松承重1300kg。

专利手柄头设计:
·全新的一体化手柄头设计,操控触手可达。

操作便捷:
·充分考虑人机工程的手柄头设计,各功能按钮方便轻松操作;
·内置充电机,充电更便捷。

专利集成设计:
·控制器和液压缸专利集成设计,大大提高控制器维修检测的便捷性。

安全稳重:
·便捷的紧急断电插拔件、强壮的驱动轮防护罩,使用更安全。

维修简便:
·模块化设计更利于问题的排查和维修。
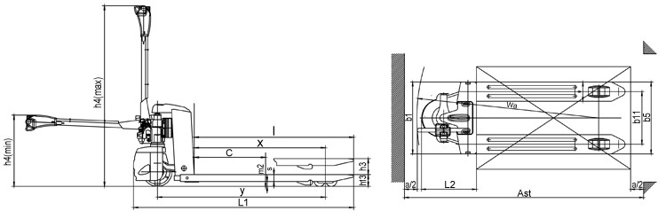
货 号 BT07317 BT07318
特征 动力单元   半电动
操作类型   步行式
载荷(Q) kg 1500
载荷中心距(c) mm 600
承载长度(x) mm 883/946
轴距(y) mm 1152/1215
重量 自重(含电瓶) kg 140
轴载,满载驱动端/承载端 kg 540/1100
轴载,空载满载驱动端/承载端 kg 110/30
轮胎
底盘
轮胎类型,驱动轮/承载轮   聚氨酯/聚氨酯
驱动轮尺寸(直径×宽度)   Ф210×70
承载轮尺寸(直径×宽度)   2×Ф80x60(Ф74×88)
驱动轮,平衡轮/承载轮数量   1x/4 
后轮距,承载端(b11) mm 410 535
尺寸 起升高度(h3) mm 115
操作位置手柄杆最小/最大高度(h14) mm 715/1280
货叉下降后叉面高度(h13) mm 85 75
整车长度(l1) mm 1588
到货叉垂直面的长度(l2) mm 438
整车宽度(b1) mm 560 685
货叉尺寸(s/e/l) mm 50/150/1150
货叉外宽(b5) mm 560 685
轴距中心处离地间隙(m2) mm 35 35
通道宽度,1000长×1200宽mm托盘(Ast) mm 1669
通道宽度,1200长×800mm宽托盘(Ast) mm 1869
转弯半径(Wa) mm 1415
性能 行走速度,满载/空载 km/ h 3.5/4
起升速度,满载/空载 m/s 10mm/次
下降速度,满载/空载 m/s 手动下降
爬坡度,满载/空载 % 2/6
制动   电磁式
驱动 驱动电机功率S2 60min kW 0.65
起升电机功率S3 15% kW 手动起升
电瓶电压/容量K5 V/Ah 24/30
电瓶重量 kg 9.5×2
电瓶尺寸,长/宽/高 mm 185/125/190
其他 驱动控制类型   DC
转向类型   机械
工作分贝 dB (A) 74

拨打服务热线:021-57703699转1,由客服为你服务!
为了更好的服务于客户,罗倍拓的客服代表可能要求您提供相应的联系方式.谢谢配合!
 
更多产品  
1.5T半电动搬运车
1.5T半电动搬运车
额定载重1500kg
起升高度115mm
转弯半径1415mm
总重140kg
查看详情>>
半电动托盘搬运车(二)
半电动托盘搬运车(二)
额定载重1000kg
起升高度115mm
转弯半径1490/1560mm
总重143-156kg
查看详情>>
半电动托盘搬运车(一)
半电动托盘搬运车(一)
额定载重1500kg
起升高度120mm
转弯半径1518/1588mm
总重205kg
查看详情>>
 
返回页头
 
 
热卖促销
[01] 搬运设备
[02] 堆高设备
[03] 电动叉车
[04] 内燃叉车
[05] 高空作业
[06] 升降平台
[07] 起重吊运
[08] 仓储设备
[09] 工位装备
[10] 清洁设备
[11] 环保节能
[12] 包装设备
[13] 称重设备
 
 
   
 
产品体系
高端设计
品牌策略
直销模式
品牌优势
租赁业务
持续发展
 
产品关建词
下载专区
视频展示
产品目录
公司资质
 
物料搬运知识
高空作业平台
起重设备知识
环保节能产品
工业安全知识
售后保养知识
 
服务概述
服务特点
客户价值
售后服务
展厅及OEM基地
行业应用
 
精选案例
出口案例
物流运输
服务行业
汽车行业
食品化工 更多>>