高空作业平台
 首  页  产品中心 关于ROBT 客服中心 营销中心 技术与服务 新闻中心 联系我们
热门产品: 搬运车    高空作业平台    电动堆高车    电动叉车    电动牵引车    购物车:0
 
   前移踏板式蓄电池叉车 您的当前位置:首页 >> 产品中心 >> 前移踏板式蓄电池叉车   
 
BT00704 BT00705 BT00706 BT00707
BT00708 BT00709 BT00710 BT00711
BT00866 BT00867 BT00868 BT00869
分享到:
 
产品描述   细节设计   视频展示   项目案例

美国CURTIS进口他励电控;                                            驱动装置独立避震系统;
德国原装FREI操纵手柄;                                                  进口复合聚氨酯PU轮胎高低可调;
适合单面、双面托盘;                                                       货叉具有前倾3°,后仰5°功能;
意大利Hydr-app液压泵站总成;                                       美国CURTIS电量表计时表;
电磁刹车系统,转弯及时制动电能再生;                        智能恒压式充电器,(很好的保护电瓶的使用寿命);
德国ZF齿轮箱;                                                                   蓄电池侧位装卸;
宽视野门架;
再生制动亦称反馈制动,是一种使用在汽车或铁路列车上的制动技术。
在制动时把车辆的动能转化及储存起来;而不是变成无用的热能。

货 号 BT00704 BT00705 BT00706 BT00707 BT00708 BT00709
特性 驾驶方式   站驾式
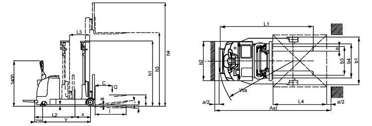
额定载荷(Q) kg 1500
载荷中心(C) mm 500
前悬距(x) mm 446
轴距(Y) mm 1390
前移距离 mm 580
重量 自重(不含电池) kg 1700
桥荷满载(前/后) kg 1338/2112
桥荷空载(前/后) kg 1372/578
轮子 轮胎   聚氨酯轮
驱动轮尺寸 mm 230×75
承载轮尺寸 mm 210×85
平衡轮尺寸 mm 125×60
轮子数量(前/后)(x=驱动轮)   1x-2/2
前轮距 mm 740
后轮距   985
基本尺寸 总高(货叉最低时)(h1)   2030 2230 1780 2030 2180 2280
自由提升高度(h2) mm 90
起升高度(h3) mm 1600 1800 2500 3000 3300 3500
最大高度(货叉最高时)(h4) mm 2540 2740 3440 3940 4240 4440
货叉离地高度(最低时)(h5) mm 40
操作手柄离地高度(最大/最小)(h6) mm 1380/1020
总长(L1) mm 2090
货叉前端面至前部距离(L2) mm 1185
总宽(b1) mm 1090
货叉尺寸(s/e/l) mm 100/35/1070
货叉外宽(b3) mm 200-720
前移距离(L3) mm 580
最小离地间隙(m) mm 55
直角堆垛通道宽度,托盘
1000×1200(1000沿货叉边)
mm 2410
直角堆垛通道宽度,托盘
800×1200(1200沿货叉边)
mm 2610
转弯半径(Wa) mm 1656
导轨间内宽(b4) mm 780
性能 行驶速度 满载/空载 km/h 4.8/5.6
提升速度 满载/空载 mm/s 90/120
下降速度 满载/空载 mm/s 125/80
最大爬坡能力 满载/空载 % 5/8
制动方式   电磁制动
电机 驱动电机功率 kw 1.5
提升电机功率 kw 2.2
蓄电池电压/容量 V/Ah 24/240
蓄电池重量 kg 250
其它 控制方式   场效应管控制
整车噪音 dB(A) <70

货 号 BT00710 BT00711 BT00866 BT00867 BT00868 BT00869
特性 驾驶方式   站驾式
额定载荷(Q) kg 1500 2000
载荷中心(C) mm 500
前悬距(x) mm 446
轴距(Y) mm 1390
前移距离 mm 580
重量 自重(不含电池) kg 1700 1800
桥荷满载(前/后) kg 1338/2112 1338/2112
桥荷空载(前/后) kg 1372/578 1372/2112 1372/578
轮子 轮胎   聚氨酯轮
驱动轮尺寸 mm 230×75
承载轮尺寸 mm 210×85
平衡轮尺寸 mm 125×60
轮子数量(前/后)(x=驱动轮)   1x-2/2
前轮距 mm 740
后轮距   985
基本尺寸 总高(货叉最低时)   2380 2350 2060 2230 2450 2030
自由提升高度(h2) mm 90 1500 1660 1820 1000
起升高度(h3) mm 3700 4000 4500 5000 5500 1600
最大高度(货叉最高时)(h4) mm 4640 4940 5440 5940 6440 2540
货叉离地高度(最低时)(h5) mm 40 35
操作手柄离地高度(最大/最小)(h6) mm 1380/1020
总长(L1) mm 2090 2590
货叉前端面至前部距离(L2) mm 1185
总宽(b1) mm 1090
货叉尺寸(s/e/l) mm 100/35/1070
货叉外宽(b3) mm 200-720
前移距离(L3) mm 580
最小离地间隙(m) mm 55
直角堆垛通道宽度,托盘
1000×1200(1000沿货叉边)
mm 2410 2900
直角堆垛通道宽度,托盘
800×1200(1200沿货叉边)
mm 2610 3100
转弯半径(Wa) mm 1656 2106
导轨间内宽(b4) mm 780
性能 行驶速度 满载/空载 km/h 4.8/5.6
提升速度 满载/空载 mm/s 90/120
下降速度 满载/空载 mm/s 125/80
最大爬坡能力 满载/空载 % 5/8
制动方式   电磁制动
电机 驱动电机功率 kw 1.5 1.2
提升电机功率 kw 2.2 2.2/3.0
蓄电池电压/容量 V/Ah 24/240
蓄电池重量 kg 250
其它 控制方式   场效应管控制
整车噪音 dB(A) <70

拨打服务热线:021-57703699转1,由客服为你服务!
为了更好的服务于客户,罗倍拓的客服代表可能要求您提供相应的联系方式.谢谢配合!
 
更多产品  
经济型全电动单门架叉车-座驾式
经济型全电动单门架叉车-座驾式
电子转向
额定载荷1500/2000kg
起升高度1600mm
前移距离580mm
查看详情>>
经济型全电动双门架叉车-座驾式
经济型全电动双门架叉车-座驾式
电子转向
额定载荷1500/2000kg
起升高度2500-4000mm
前移距离580mm
查看详情>>
经济型全电动三门架叉车-座驾式
经济型全电动三门架叉车-座驾式
电子转向
额定载荷1500kg
起升高度4500-5000mm
前移距离 580mm
查看详情>>
经济型全电动单门架叉车-站驾式
经济型全电动单门架叉车-站驾式
电子转向
额定载荷1500/2000kg
起升高度1600mm
前移距离580mm
查看详情>>
经济型全电动双门架叉车-站驾式
经济型全电动双门架叉车-站驾式
电子转向
额定载荷1500/2000kg
起升高度2500-4000mm
前移距离580mm
查看详情>>
座驾前移式电瓶叉车
座驾前移式电瓶叉车
额定载荷1600/2000kg
载荷中心600mm
起升高度3000mm
前移距离520mm
查看详情>>
经济型全电动三门架叉车-站驾式
经济型全电动三门架叉车-站驾式
电子转向
额定载荷1500kg
起升高度4500-5000mm
前移距离580mm
查看详情>>
1.5T站驾前移式电瓶叉车
1.5T站驾前移式电瓶叉车
额定载荷1500kg
载荷中心600mm
起升高度3000mm
前移距离665mm
查看详情>>
 
返回页头
 
 
热卖促销
[01] 搬运设备
[02] 堆高设备
[03] 电动叉车
[04] 内燃叉车
[05] 高空作业
[06] 升降平台
[07] 起重吊运
[08] 仓储设备
[09] 工位装备
[10] 清洁设备
[11] 环保节能
[12] 包装设备
[13] 称重设备
 
 
   
 
产品体系
高端设计
品牌策略
直销模式
品牌优势
租赁业务
持续发展
 
产品关建词
下载专区
视频展示
产品目录
公司资质
 
物料搬运知识
高空作业平台
起重设备知识
环保节能产品
工业安全知识
售后保养知识
 
服务概述
服务特点
客户价值
售后服务
展厅及OEM基地
行业应用
 
精选案例
出口案例
物流运输
服务行业
汽车行业
食品化工 更多>>